2010-03-10 作者: 來源:caxa
CAXA電子圖板作為一個專為機械行業設計的輔助設計軟件,其功能的確十分的強大,繪圖也非常的方便、簡潔。作為一個使用了多年CAXA電子圖板的老用戶,在此介紹下自己在繪制機械總裝圖紙的一些技巧,僅希望能夠給初學電子圖板的朋友一點小的幫助,讓更多的中國機械設計師了解、使用和掌握我們中國人自己的CAD軟件。

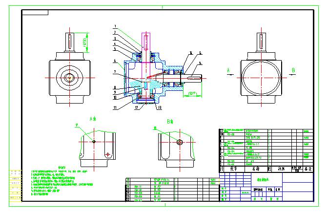
下面以繪制上圖所示錐齒減速箱總裝圖為例,按制圖步驟介紹幾點本人的使用技巧。
第一步:零部件準備。
技巧1——對總裝圖中需要用到的零部件進行塊定義。這樣做的好處在于方便對零部件的選擇和裝配關系的定位,不會出現普通圖形選擇時的漏選或者多選。如圖所需定義塊的零件分別為:
① —殼體(剖視圖); ②—從動軸;

② —從動錐齒輪; ④—錐齒輪軸;

⑤—隔離套 ⑥—墊片

⑦—堵蓋1 ⑧—堵蓋1

其他標準件只需用軟件提供的標準件庫按照設計規格進行調用就可以了。
技巧2——如上所示,對不同的零部件分別設置不同的顏色。這樣做的好處是可以更加直觀的對零部件加以區分。
第二步:依裝配關系對各零件進行預總裝裝配(此過程不再累述,按照通常的制圖步驟以及設計師自己的設計思路將各零部件、標準件進行預組裝),如下圖所示:
技巧3——在這個過程中,裝配零部件時應多采用特征點定位(特征點捕捉立即菜單用空格鍵調出)。這樣做的好處是零部件定位比較精確。
齒輪箱預組裝圖:

第三步:對預裝配后的圖紙進行細節修正。
此時大家會發現在一些零件的剖切部分會出現多個零件的圖素重疊的現象,此時我們可以直接使用軟件自帶的塊消隱命令,用需要顯示的主要零件的塊來消隱其他零件的顯示就可以了,并且可以按照主次關系依次執行消隱命令,軟件會自動按消隱步驟設置零部件的消隱。(消隱效果如下圖所示)
技巧4——調用的標準件不要進行編輯操作,這樣標準件零件的自身屬性就不會丟失,在制作零件明細表時就可以實現零件屬性的自動填寫了。
塊消隱前:

塊消隱后:

第四步:經過細節修正后,給圖紙添加尺寸、形位公差、零件明細表和裝配技術要求。
這樣一份如開篇所示的總裝圖紙就算完成了。
以上便是本人在用CAXA電子圖板繪制機械總裝圖的幾點繪制技巧,雖然算不上什么十分高明的技巧,但卻是實際使用CAXA電子圖板過程中總結出來的。值此CAXA征文之際,拿出來供大家參考,也真心的希望能夠對大家有所幫助。
在此非常感謝CAXA公司為我們中國工程師所研發的電子圖板這個軟件,真誠的希望我們的國產CAD軟件——CAXA電子圖板能夠越來越完善,相信CAXA電子圖板終將成為國產CAD軟件的驕傲。